Tuesday, October 27, 2015

Ultrasonic Transceiver

Pictures of Ultrasonic Transceiver

The Use Of Reflection Mode Ultrasonic Transceiver Sensor In ...
70:3 (2014) 97–101 | www.jurnalteknologi.utm.my | eISSN 2180–3722 | Full paper Jurnal Teknologi The Use of Reflection Mode Ultrasonic Transceiver Sensor in Pipeline ... View Doc

Ultrasonic Transceiver Images

Alternate Glucometer Bio-sensor Model Based On ultrasonic ...
Alternate glucometer bio-sensor model based on ultrasonic MEMS transceivers P. Pattnaik1, S. K. Kamilla1*, Debi Prasad Das 2 Using an ultrasonic transceiver, the glucose levels of human blood can be determined but for non- ... Content Retrieval

Pictures of Ultrasonic Transceiver

Ultrasonic Tx/Rx Pair (Jameco Valuepro 40T/R-12B)
Photo: Specification: PARTS NUNBER Center frequency (kHz) Sound pressure level (OdB=O.0002 g bar) Standard type of this sensor: 40T/R-12W 40T/R-12B ... Content Retrieval

Photos of Ultrasonic Transceiver

Ultrasonic Testing - Wikipedia, The Free Encyclopedia
Ultrasonic testing (UT) is a family of non-destructive testing techniques based on the propagation of ultrasonic waves in the object or material tested. ... Read Article

Ultrasonic Transceiver Pictures

DIGITAL ULTRASONIC TRANSCEIVER DRIVER ... - Elmos Semiconductor
DIGITAL ULTRASONIC TRANSCEIVER DRIVER AND SIGNAL PROCESSOR E524.02/03 PRODUCTION DATA – May 21, 2013 Pin Description Pin Name Type Description ... Retrieve Content

Ultrasonic Transceiver Pictures

Alternate Glucometer Bio-sensor Model Based On Ultrasonic ...
Alternate Glucometer Bio-sensor Model based on Ultrasonic MEMS Transceivers P. Pattnaik1, S. K. Kamilla1*, D. P. Das 2 1. Using an ultrasonic transceiver glucometers, continuously monitoring the sugar level of human blood, which is a ... Get Document

Understand Early Pregnancy Ultrasound Results - About.com Health
Although widely considered the most accurate means of dating an early pregnancy, ultrasound results can be confusing when trying to confirm or rule out a miscarriage. Let's take a look at what you can and cannot determine from an ultrasound in early pregnancy, and whether an empty gestational ... Read Article

Ultrasonic Transceiver Photos

PSoC® 1 Automotive Ultrasonic Distance Measurement For Park ...
Ultrasonic transceiver sensors. About the Author : Name: Valeriy Kyrynyuk, Ben Kropf, Balaji M V Title: Systems Engr Principal, Applications Engineer Staff, Applications Engineer Sr : PSoC ® 1 Automotive Ultrasonic Distance Measurement for Park-Assist Systems ... Read More

Ultrasonic Transceiver Pictures

Using Siemens Multiranger 100 ultrasonic Transceiver For Pump ...
How to program and configure a Siemens Multiranger 100 ultrasonic tranceiver for use in pump control applications. Learn more about Siemens level products at www.lesman.com. ... View Video

Ultrasonic Transceiver Pictures

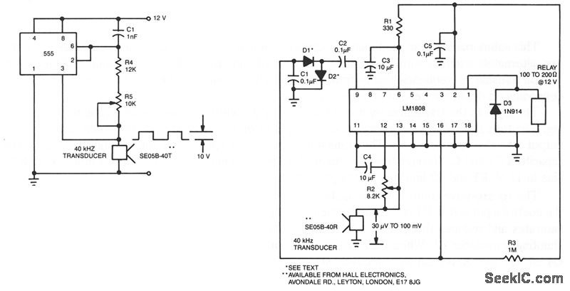
AM Modulator And Ultrasonic Transceiver
ECE 2C Winter 2007 Lab #5 5 AM Modulator and Ultrasonic Transceiver In this lab you will construct a circuit to produce a 40kHz amplitude-modulated (AM) carrier, ... Get Doc

Ultrasonic Transceiver Pictures

AM Modulator And Ultrasonic Transceiver
ECE 2C Laboratory 4 AM Modulator and Ultrasonic Transceiver In this lab you will construct a circuit to produce a 40kHz amplitude-modulated (AM) ... Get Content Here

Images of Ultrasonic Transceiver

Level-measurement-4
ULTRASONIC LEVEL MEASUREMENT BASICS 11 Indumart Inc. Various Technics of Liquids and Solids Level Measurements (Part 4) associated electronic transceiver. Together, they operate to determine the time for a transmitted ultrasonic ... View Doc

Ultrasonic Transceiver Pictures

Ultrasonic Distance Measurement
Ultrasonic Distance Measurement EVALUATION AND DESIGN SUPPORT Rev. A Circuits from the Lab® reference designs from Analog Devices have been designed and built by Analog Devices engineers. Standard engineering practices have been employed in the design and ... Read Document

Ultrasonic Transceiver Images

Ultrasonic Distance Measurement With The MSP430 (Rev. A)
SLAA136A Ultrasonic Distance Measurement With the MSP430 3 The output drive circuit for the transducer is powered directly from the 9-V battery and provides ... Retrieve Doc

Photos of Ultrasonic Transceiver

URL: Http://www.prowave.com.tw APPLICATION NOTE
Minimizing “ringing”, which usually operates as a transceiver – oscillating in a short period and then switching to receiving mode. Ultrasonic transmitter impedance characteristics vary with operating frequency and temperature ... Fetch Here

Ultrasonic Transceiver

Ultrasonic Transducer - Mouser Electronics
Ultrasonic Transducer Dimensions: mm (In.) Ultrasonic Transducer Mechanical Specifications: ... Fetch Doc

F-18/A Specifications - About.com US Military
All-weather fighter and attack aircraft. The single-seat F/A-18 Hornet is the nation's first strike-fighter. It was designed for traditional strike applications such as interdiction and close air support without compromising its fighter capabilities. With its excellent fighter and self-defense ... Read Article

Photos of Ultrasonic Transceiver

CMOS Ultrasound Transceiver Chip For High-Resolution ...
CMOS Ultrasound Transceiver Chip for High-Resolution Ultrasonic Imaging Systems Author(s): 1Kim I 2(Kim, Insoo)1, Kim H (Kim, Hyunsoo) , Griggio F (Griggio, Flavio) , Tutwiler RL ... View Full Source

Ultrasonic Transceiver

Ultrasonic Sensor - Proximity Sensor - YouTube
ULTRASONIC TRANSCEIVER SENSOR Proximity Sensor ----- Animator and Director : Marc Lawrence Facebook : www.facebook.com/sk8ersaix Instagram : www.instagram.co ... View Video

Images of Ultrasonic Transceiver

DIGITAL ULTRASONIC TRANSCEIVER DRIVER ... - Elmos Semiconductor
E524.02 ELM onduc G QM-No.: 25IS0100E.00 ELMO emiconductor reserve the right to change the detai peci˜cation a ma e required to permit mprovement n the design o t products. ... Access Content

Ultrasonic Transceiver Pictures

Ultrasonic Transducer - Wikipedia, The Free Encyclopedia
An ultrasonic transducer is a device that converts AC into ultrasound, as well as the reverse, sound into AC. In ultrasonics, the term typically refers to piezoelectric transducers or capacitive transducers. ... Read Article

Ultrasonic Transceiver Pictures

Air Ultrasonic Ceramic Transducers - Pro-Wave
Air Ultrasonic Ceramic Transducers 400ST/R160 S. Square Enterprise Company Limited Pro-Wave Electronics Corporation 400PT120 Transceiver Center Frequency 40.0±1.0KHz Bandwidth (-6dB) The ultrasonic atomizing transducers using our factory ... Access Content

Ultrasonic Transceiver Images

LM1812 Ultrasonic Transceiver - RBS FM
TL/H/7892 LM1812 Ultrasonic Transceiver April 1989 LM1812 Ultrasonic Transceiver General Description The LM1812 is a general purpose ultrasonic transceiver de- ... Fetch Full Source

Ultrasonic Transceiver

Ultrasonic Imaging Transceiver Design For CMUT: A Three-Level ...
Ultrasonic Imaging Transceiver Design for CMUT: A Three-Level 30-Vpp Pulse-Shaping Pulser With Improved Efficiency and a Noise-Optimized Receiver ... Get Document

No comments:

Post a Comment